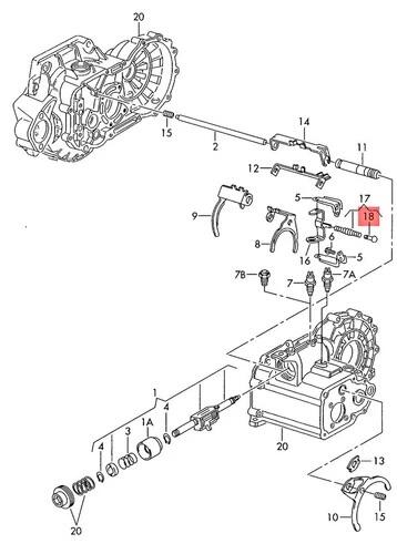
Напрямна пружина важеля VAG 02A311614
Застосовність
- Товарна група:
- - Підвіска і Рульове Пружини
Відповідальність за підбір
Підбір запчастин за VIN-кодом. Швидко та надійно!
Підбір запчастин за VIN-кодом. Швидко та надійно!
Зручна доставка!
Замовляйте на найближче відділення Нова Пошта, УкрПошта
Замовляйте на найближче відділення Нова Пошта, УкрПошта
Величезний асортимент
Великий вибір запчастин та автотоварів для будь-якого авто!
Великий вибір запчастин та автотоварів для будь-якого авто!
Гарантія якості
Гарантія на всі товари, повернення та обмін
Гарантія на всі товари, повернення та обмін
